02 Feb,2026
Jak przemysłowe silniki hydrauliczne wypadają w porównaniu z silnikami pneumatycznymi pod względem wydajności?


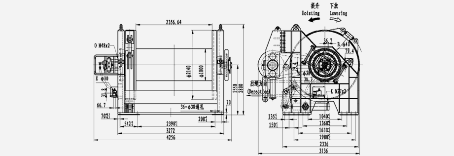
| Wartość znamionowa pełna na 1. warstwie (kN) | 1000 |
| Prędkość znamionowa na 1. warstwie (m/min) | 7 |
| Całkowite wyporność (ml/r) | 131500 |
| Ciśnienie w układzie (MPa) | 35 |
| Róż. ciśnienie (MPa) | 32 |
| Średnica liny (mm) | 52 |
| Liczba warstw liny | 9 |
| Pojemność bębna (m) | 1800 |
| Przepływ pompy (l/min) | 300 |
| Typ silnika | HL-A4FM500-01 |
| Typ skrzyni biegów | IGC550W3-B263 (i=263) |
Produkty dostarczane przez znane przedsiębiorstwa cieszą się głębokim zaufaniem użytkowników.
Lata doświadczenia w branży
Teren fabryki
Umiejętni pracownicy
Zaawansowana linia produkcyjna
INI Hydraulic Co., Ltd. Od ponad dwudziestu lat specjalizuje się w projektowaniu i produkcji wciągarek hydraulicznych, silników hydraulicznych i skrzyń przekładni planetarnych. Jesteśmy jednym z profesjonalnych dostawców akcesoriów do maszyn budowlanych w Azji. Dostosowywanie do potrzeb optymalizacji pomysłowych projektów sprzętu klientów to nasz sposób na utrzymanie solidnego życia na rynku. W ciągu 26-tych lat, kierując się zaangażowaniem w ciągłe innowacje, aby zaspokoić potrzeby klientów, opracowaliśmy szeroką gamę linii produktów opartych na naszych własnych technologiach. Szerokie spektrum produktów, z których każdy ściśle ze sobą koreluje, obejmuje wyciągarki hydrauliczne i elektryczne, przekładnie planetarne, napędy obrotowe, napędy przekładni, silniki hydrauliczne, pompy i układy hydrauliczne.
Niezawodność naszych produktów została mocno sprawdzona w różnorodnych zastosowaniach, w tym między innymi w maszynach przemysłowych, maszynach budowlanych, maszynach na statkach i pokładach, sprzęcie off-shore, maszynach górniczych i metalurgicznych.
Poza tym jakość naszych produktów została potwierdzona przez wiele renomowanych na całym świecie jednostek certyfikujących. Certyfikaty, które uzyskały nasze produkty, obejmują Certyfikat badania typu EC, BV MODE, Certyfikat DNV GL, Certyfikat zgodności EC, Certyfikat homologacji typu dla produktu morskiego oraz Lloyd’s Register Quality Assurance. Do tej pory, poza Chinami, naszym rynkiem krajowym, szeroko eksportowaliśmy nasze produkty do Stanów Zjednoczonych, Niemiec, Holandii, Australii, Rosji, Turcji, Singapuru, Japonii, Korei Południowej, Malezji, Wietnamu, Indii i Iranu. Nasza logistyka i usługi posprzedażowe obejmują cały świat szybko i niezawodnie, dbając o głębokie interesy naszych klientów.
02 Feb,2026
26 Jan,2026
19 Jan,2026
12 Jan,2026
05 Jan,2026
29 Dec,2025
TOP