02 Feb,2026
Jak przemysłowe silniki hydrauliczne wypadają w porównaniu z silnikami pneumatycznymi pod względem wydajności?


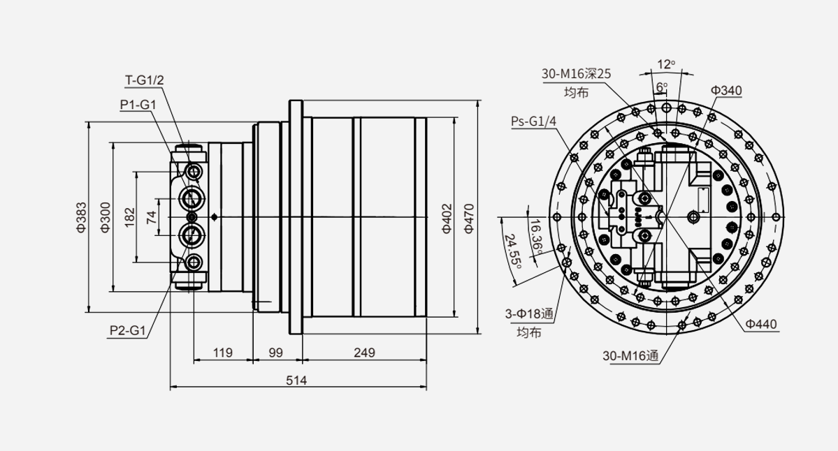
Silniki o wysokim ciśnieniu, szybkim napędzie i zaworach równoważących,
Jest przeznaczony do pracy w warunkach dużego obciążenia
Jest to idealne rozwiązanie dla koparki hydraulicznej o masie od 6 do 50 ton
Wydajna i kompaktowa konstrukcja
Technologia wysokociśnieniowa zwiększa wydajność układu hydraulicznego
Silnik dwubiegowy ze zintegrowanym zaworem równoważącym i zaworem nadmiarowym ciśnienia
Silnik integruje funkcję hamowania hydraulicznego
Na żądanie prędkość może zostać automatycznie zmieniona
Niska temperatura, wysoka wydajność
Zakres temperatury pracy: -20°C~80°C
Kompaktowa konstrukcja
Silniki wysokociśnieniowe o małej pojemności skokowej wydłużają żywotność ważnych podzespołów i ulepszają całość
Trwałość systemu
Całkowicie miedziana wkładka do hydraulicznego obrotu tłoka
Podwójna metalowa (miedź/stal) taca dystrybucyjna
Kombinacja obrotów ze specjalnym systemem sprężyn zwiększa żywotność silnika
Potrójny system uszczelnienia reduktora: mechaniczne uszczelnienie labiryntowe, uszczelnienie olejowe typu V, uszczelnienie olejowe główne.
Główny uszczelkę olejową można wymienić bez demontażu reduktora
Łożyska reduktora są niezależnymi elementami, łatwymi w montażu i można je w pełni ustawić na obciążenia ujemne
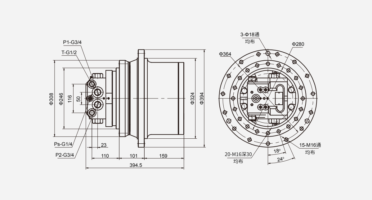
ITM01:
| Modalnynynynynynynynynynyny | (L/min) | (ML/r) | (Mpa) | (Mpa) | Przełożenie skrzyni biegów | (Nm) | (obr/min) | Obrót | (℃) | (mm2/s) |
| ITM01 | 20 | 6,31/12,56 | 25 | 2-7 | 36.96 | 1845 | 85,8/43 | dwukierunkowy | -20- 80 | 16-25 |
| Modal | (L/min) | (ML/r) | (Mpa) | (Mpa) | Przełożenie skrzyni biegów | (Nm) | (obr/min) | Obrót | (℃) | (mm2/s) |
| ITM03 | 40 | 12/18 | 21 | 2-7 | 45.2 | 2719 | 55/37 | dwukierunkowy | -20- 80 | 16-25 |
ITM04:
| Modal | (L/min) | (ML/r) Silnik | (Mpa) | (Mpa) | Przełożenie skrzyni biegów | (Nm) | (obr/min) | Obrót | (℃) olej | (mm2/s) |
| ITM04 | 40 | 14,3/23,6 | 21 | 2-7 | 52.7 | 4200 | 55/33 | dwukierunkowy | -20- 80 | 16-25 |
| Modal | (L/min) Przepływ wejściowy | (ML/r) | (Mpa) | (Mpa) | Przełożenie skrzyni biegów | (Nm) | (obr/min) | Obrót | (℃) | (mm2/s) |
| ITM06 | 50 | 19/34 | 24.5 | 2-7 | 47.53 | 6300 | 55/30 | dwukierunkowy | -20- 80 | 16-25 |
| Modal | (L/min) Przepływ wejściowy | (ML/r) | (Mpa) Ciśnienie robocze | (Mpa) | Przełożenie skrzyni biegów | (Nm) | (obr/min) | Obrót | (℃)olej | (mm2/s) |
| ITM07 | 50 | 22/44 | 27.5 | 2-7 | 53.706 | 10500 | 50/25 | dwukierunkowy | -20- 80 | 16-25 |
ITM09:
| Modal | (L/min) | (ML/r) | (Mpa) | (Mpa) | Przełożenie skrzyni biegów | (Nm) | (obr/min) | Obrót | (℃) | (mm2/s) |
| ITM09 | 80 | 34/53 | 30 | 2-7 | 53.7 | 11500 | 51/33 | dwukierunkowy | -20- 80 | 16-25 |
| Modal | (L/min) | (ML/r) | (Mpa) | (Mpa) | Przełożenie skrzyni biegów | (Nm) | (obr/min) | Obrót | (℃) | (mm2/s) |
| ITM10 | 80 | 38/65 | 25 | 2-7 | 53.7 | 13000 | 51/33 | dwukierunkowy | -20- 80 | 16-25 |
| Modal | (L/min) | (ML/r) | (Mpa) | (Mpa) | Przełożenie skrzyni biegów | (Nm) | (obr/min) | Obrót | (℃) | (mm2/s) |
| ITM18 | 130 | 43/67 | 30 | 2-7 | 53 | 16900 | 57/37 | dwukierunkowy | -20- 80 | 16-25 |
| Modal | (L/min) | (ML/r) | (Mpa) | (Mpa) | Przełożenie skrzyni biegów | (Nm) | (obr/min) | Obrót | (℃) | (mm2/s) | Odpowiedni modele |
| ITM22 | 130 | 48/81 | 34.3 | 2-7 | 53.7 | 23700 | 50/30 | dwukierunkowy | -20- 80 | 16-25 | 13-17 |
| Modal | (L/min) | (ML/r) | (Mpa) | (Mpa) | Przełożenie skrzyni biegów | (Nm) | (obr/min) Teoretyczny | Obrót | (℃) | (mm2/s) |
| ITM40 | 230 | 99/147 | 34.3 | 2-7 | 50.5 | 40546 | 50/32 | dwukierunkowy | -20- 80 | 16-25 |
| Modal | (L/min) | (ML/r) | (Mpa) | (Mpa) | Przełożenie skrzyni biegów | (Nm) | (obr/min) | Obrót | (℃) | (mm2/s) |
| ITM60 | 330 | 195/120 | 34.3 | 2-7 | 63.84 | 67000 | 40/26 | dwukierunkowy | -20- 80 | 16-25 |
Produkty dostarczane przez znane przedsiębiorstwa cieszą się głębokim zaufaniem użytkowników.
Lata doświadczenia w branży
Teren fabryki
Umiejętni pracownicy
Zaawansowana linia produkcyjna
INI Hydraulic Co., Ltd. Od ponad dwudziestu lat specjalizuje się w projektowaniu i produkcji wciągarek hydraulicznych, silników hydraulicznych i skrzyń przekładni planetarnych. Jesteśmy jednym z profesjonalnych dostawców akcesoriów do maszyn budowlanych w Azji. Dostosowywanie do potrzeb optymalizacji pomysłowych projektów sprzętu klientów to nasz sposób na utrzymanie solidnego życia na rynku. W ciągu 26-tych lat, kierując się zaangażowaniem w ciągłe innowacje, aby zaspokoić potrzeby klientów, opracowaliśmy szeroką gamę linii produktów opartych na naszych własnych technologiach. Szerokie spektrum produktów, z których każdy ściśle ze sobą koreluje, obejmuje wyciągarki hydrauliczne i elektryczne, przekładnie planetarne, napędy obrotowe, napędy przekładni, silniki hydrauliczne, pompy i układy hydrauliczne.
Niezawodność naszych produktów została mocno sprawdzona w różnorodnych zastosowaniach, w tym między innymi w maszynach przemysłowych, maszynach budowlanych, maszynach na statkach i pokładach, sprzęcie off-shore, maszynach górniczych i metalurgicznych.
Poza tym jakość naszych produktów została potwierdzona przez wiele renomowanych na całym świecie jednostek certyfikujących. Certyfikaty, które uzyskały nasze produkty, obejmują Certyfikat badania typu EC, BV MODE, Certyfikat DNV GL, Certyfikat zgodności EC, Certyfikat homologacji typu dla produktu morskiego oraz Lloyd’s Register Quality Assurance. Do tej pory, poza Chinami, naszym rynkiem krajowym, szeroko eksportowaliśmy nasze produkty do Stanów Zjednoczonych, Niemiec, Holandii, Australii, Rosji, Turcji, Singapuru, Japonii, Korei Południowej, Malezji, Wietnamu, Indii i Iranu. Nasza logistyka i usługi posprzedażowe obejmują cały świat szybko i niezawodnie, dbając o głębokie interesy naszych klientów.
02 Feb,2026
26 Jan,2026
19 Jan,2026
12 Jan,2026
05 Jan,2026
29 Dec,2025
TOP